Code help? Codes 12, 25, 26, 51.
So my '88 LE has a nifty trick of throwing up a check engine code when I'm on drives over a few hours. Not everytime, but once in a while. The first time it happened I pulled over to check things out, couldn't see much, and when I started her back up, the light was off. Should have checked the code then and there, but I'm new to vehicle ownership and was just happy to see the light turn off.
So finally, in the planning stages of a road trip to San Fran, I pulled the codes from the ECU and was pretty surprised to get not just one, but four codes! 12, 25, 26, 51.
I'm pretty handy when it comes to upkeep, and replacing and repairing parts is something I'm comfortable with, but checking wiring and circuits is outside my experience. I'm hoping there might be some common fixes for some of these problems. I've got a service manual for 86 models which has been a big help so far, and I haven't ran into too many differences.
For code 12, to start, I'm planning on replacing the the dist. cap, rotor, and wires, since I haven't done that since owning the van, and I've put more than 60K oh her since then. After that I guess I should check the ignitor circuit? Anyone tried Seafoam with any luck? I know it's not entirely trusted around here, but I'd rather not have to get in deep to actually check the injectors.
For 25 and 26 I'm not sure where to start. I'm hoping my O2 sensors are ok, because they look clean, and it's not throwing a code 21. Reading the manual, I guess the first step is to short out the fuel pump and check for pressure?
For 51, as I've read, I'm going to go ahead and replace the TPS. I've been getting some bad gas milage and poor acceleration, so hopefully this can help solve that issue. Is it normal to get a code 51 and not a get a 41 at the same time if it's the TPS?
Re: Code help? Codes 12, 25, 26, 51.
Code 12 is likely erroneous or left over from a prior episode (typically the van won't run with this condition). Codes stay until they are cleared & Sometimes after repairs are made the mechanic fails to clear them. If the van has over 100k miles on it & you don't know when the last time the TPS or the O2 sensor was changed, then it's safe to assume it's time. These are common failed parts, so if I had these codes along with poor performance/fuel economy, I'd just go ahead & replace.
Be sure to clear codes afterwards. If they don't come back within 100 miles I'd say you got it taken care of. Good luck. Tim
Re: Code help? Codes 12, 25, 26, 51.
Thanks for the advice Tim! Been lurking for a few years, and it's nice to get my first answer from the VanGuru :)>:
I've got a pretty fun order coming in from RockAuto, and am finally gonna give my van the engine tune-up it deserves. Was gonna try and test the O2 sensors, but they had ones you've reccommended in the past for a pretty cheap price, so I'm going to ahead and replace those and the TPS. A new valve cover gasket (got a bit of a leak), dist cap, rotor, wires, plugs, and a PCV valve should hopefully boost performance and give me some piece of mind as to what my problem isn't.
Now to wait for the parts to show up. Can't wait to get in there! Thanks for the help!
Re: Code help? Codes 12, 25, 26, 51.
Quote:
Originally Posted by
timsrv
Code 12 is likely erroneous or left over from a prior episode (typically the van won't run with this condition).
So my van basically had the week off as I was driving my 4runner for the first 4 days or so. Anyways, before I decide to take her for a drive on Thursday evening, I see that my brake lights aren't working so I replace the fuse (happens occasionally during monsoon season here, not a big deal) and try to crank her over... Cranks hard but still starts quickly enough, I take it to the gas station down the street to fill her up and think nothing of it. I go to leave the gas station and the van won't start for a couple minutes, it cranked but wouldn't fire. Next morning I roll the dice and drive it to work, no issues but on my break I check for codes and it's showing a code 12. After work it starts again no problem and, as it turns out, emissions were due on the van so I take it through emissions and it passes no problem. This morning, I try to start the van and it'll crank but won't fire.
TLDR; I am having intermittent start issues and the van is throwing a code 12. I check the van for fault codes every couple months and have never seen this before. The manual is telling me to check the distributor, igniter, and ECU; any sage words of advice before I start tearing in to get to the distributor and, if it is the distributor, what typically goes wrong with them? Are they a part that is better if you service the original unit and throw it back in or should I grab my ankles and bite the bullet on a new one? I'd already be on my way to the junkyard to pull parts but these never end up in yards out here. Distributor cap, rotor, and spark plugs were replaced less than a year and a half ago.
Re: Code help? Codes 12, 25, 26, 51.
Sounds like you're having an intermittent problem with one of those things. Law of averages suggests to me it's most likely the coil (inside the distributor). This is good news as the coil is the only item on this list that can be used in multiple vehicles and is easy to find (all other items are unique to the van and can be hard to find). Next most likely issue would be the igniter. After that, there's a small possibility it could be the ECU or maybe the pick-up coil (pick-up coil is inside the distributor too). Aside from a component failure, there's also the chance of harness issue (like frayed/chaffing wires, loose connections, corrosion, dirty/burned connection, etc).
The problem with intermittent issues is they never show up when you're troubleshooting. I usually chase down intermittent issues by process of elimination. If it were mine, I'd do a visual inspection of all things I just mentioned and if nothing jumps out and grabs your attention, I'd throw a distributor at it. If you don't have a good used one, then I'd check your local salvage yard, craigslist, or eBay. If you can't find a reasonably priced distributor, then I'd go buy a new coil at your local parts store and put that in (coils are inexpensive and easy to find). There's a few threads here on TVT that explain how to replace and talk about resetting the timing. Be sure to clear the code each time you do something. Drive the van on short trips only until you become confident the issue is solved. If it comes back, verify the same code also came back, then replace the igniter. FYI, I would recommend changing only one part at a time and only replace a part after you've verified the previous part did not resolve the issue.
Igniters are a bit harder to find and can be very expensive. Since these are unique to the van, I recommend every van owner find and keep at least one used spare (of each). Every chance I get to buy one of these items for under $30 I snatch it up. Just a few years ago they were easy to find, but now they are becoming harder to find. For a while I was letting members "borrow" some of my spare igniters, but unfortunately after losing a few of them, I'm now low and have stopped lending them out..........at least until I can find a couple more :cry:. My best advice would be to search eBay and/or one of those sites that notifies salvage yards with parts requests. I believe you can still get these new, but they are now approaching $500 for OE units.
ECUs and pick-up coils hardly ever fail, but they can & do. I've never replaced a pick-up coil (not sure you can). If I ever had one fail I'd swap in a good used distributor. For the ECU, pull your old one and record the part number on unit, then search eBay. These can sometimes be found for a reasonable price. Good luck. Tim
1 Attachment(s)
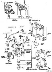
Re: Code help? Codes 12, 25, 26, 51.
Ok learning as I go, let me know if I'm off base here. Is the coil I'm looking for part #90919-02135 (shown in the bottom right of the picture as 19500B)? I'm pretty sure it is, but wanted to verify before I start throwing money at it. There's still some NOS genuine parts floating around on the internet for less than $30, so I'm sure hoping it is.
Attachment 4247
edit: not sure why the attached photo is stuck in thumbnail view and not full-sized. The picture can be viewed in all it's glory here
Re: Code help? Codes 12, 25, 26, 51.
I think I answered my own question there in the post above, like I said, learning curve! :swear:
Anyways, after researching this thread, I've been taking the van out on short trips trying to recreate the problem. The majority of the time it starts no problem, but when it doesn't, the tachometer needle doesn't move/bounce/hop at all when attempting to start. Eventually, after multiple attempts to crank the engine, the tach will start to move and then the van will come to life. So that lack of "needle hop" leads me to believe that my igniter is on it's way out. I already have a new coil on the way and I'm trying to source out an igniter as we speak, so hopefully the van will be back on the road soon with a clean bill of health.
Re: Code help? Codes 12, 25, 26, 51.
I hate to triple-post but I figured I'd add finality to my code 12 experience just in case somebody else has the same problem and comes across this thread.
Problem: Intermittent start problems, occasionally stalls (only happened to me once), the tach is deader than disco when start problems are present (no "needle hop"), van throws a code 12.
Solution: Replace the igniter (89620-28040). It's a real straightforward job, two 10 mm screws and the body of the igniter detaches and then there are 3 plugs. The plugs all go in one way so there's no risk of getting the plugs messed up, and no tools are necessary to get them to detach from the other end. Getting two hands on the plug that goes to the distributor-end of things and disconnecting it was the hardest part, and that wasn't even that bad. Installation is of course the same but in reverse.
I've only put 40 miles on the van so far, but I've had to start the van up probably a dozen times and its fired up each time like a champ and the van isn't storing any codes so I'm confident that the issue has been resolved. My stop light fuse blows instantly now and my seat belt is stuck shut, which has stopped me from putting more miles on it.
Just goes to show you can't keep a good van down! Thanks Tim and JDM VANMAN for again saving my butt. :wrthy:
Re: Code help? Codes 12, 25, 26, 51.
Awesome! Glad to hear you got it figured out.
Quote:
Originally Posted by
AD2101
The plugs all go in one way so there's no risk of getting the plugs messed up................
Actually, there is a way :yes:. It is possible to plug the igniter into itself, then the engine harness into itself (don't ask me how I know :LOL2:). Van won't run until you unplug and then plug the 2 igniter plugs into the 2 engine harness plugs. Tim