7 Attachment(s)
Installing a New Brake Master Cylinder
Let me start by saying that I'm no expert and learned how to do this by reading through this website and a few others. I didn't follow the directions in the shop manual either but still managed to get it to work. That being said, I thought that my experience in changing the Master Cylinder could be helpful for someone who has never done it before.
I bought a new cylinder here: http://www.autobrakecenter.com/13044...0-p-23534.html
I paid $46 with shipping and it came in two days
Attachment 1169
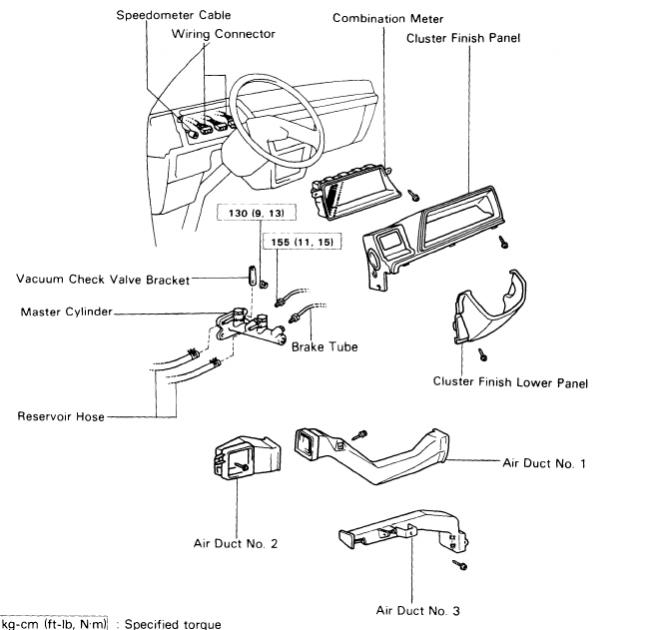
1. Remove the dashboard. Instructions here: http://www.toyotavantech.com/forum/s...hboard+removal
Attachment 1164
Attachment 1165
Attachment 1166
2. Remove "Air Duct #3. There are 2 screws holing it in, one on the far right side and one in the middle.
Attachment 1163
3. Remove "Air Duct #2" and then "Air Duct #1". There is one screw holding each in. You can leave "Air Duct #1" in the dash, don't worry about pulling it all of the way out.
4. Remove both of the metal brake tubes an open ended wrench
Attachment 1167
5. remove all 4 nuts that hold the brake mast cylinder on as well as the "Vacuum Check Valve Bracket" (thin metal piece with small and large hole in it around top right bolt.)
6. Remove both of the bolts from the top of the brake fluid reservoir.
7. At this point you can suck the brake fluid out of the reservoir with a syringe to make less of a mess, but I just used a large tupperware to catch and spilled fluid.
8. Pull out the master cylinder with the fluid reservoir still attached by the two tubes.
9. Over a bucket or Tupperware disconnect the two tubes from the old master cylinder by squeezing the taps together with a par of pliers and slide on the new master cylinder
Attachment 1168
10. "Bench bleed" the master cylinder by pushing a screw driver into the end of the master cylinder to depress the cylinder. While depressed have a friend hold their fingers over the two holes where you connect the brake tubes. Then release the screw driver. Repeat this until you have fluid coming out of the holes.
11. snake the master cylinder and reservoir back into place and replace the 2 bolts holding the reservoir and the 4 bolts and the "Vacuum Check Valve Bracket"
12. Connect the two brake tubes
13. loosen one of the tubes just a bit and depress the brake pedal. While still depressed, tighten the nut. Repeat this until fluid comes out and then repeat for the second tube.
14. Replace the air ducts and put the dashboard back together
15. Top off the reservoir
and if you want to do it by the book, you can download the the shop manual here: http://www.yotavans.org/community/ti...RAKESYSTEM.PDF
It's on page 8
Re: Installing a New Brake Master Cylinder
Very nice write up. Indeed it will be useful to others when they have to change out the master cylinder.
Re: Installing a New Brake Master Cylinder
Thank you! This will certainly help the next guy :thmbup:
Re: Installing a New Brake Master Cylinder
Tmiron,
This may be a lil off topic but I was looking thru your blog on your website onelongtrip and that blue van with all the stickers on it in philly.. It was me who got the rear end off of that one. :-p
3 Attachment(s)
Re: master cylinder leaking
So I went to O'rielly and ordered up a new master cylinder. They're going to take the one I purchased a week or so ago back. But now I have to do this all over again. bummer.
After letting the van sit all night, then driving it today, I can say with certainty 2 things. It is leaking more when I am braking than when it is sitting. I'm still not convinced it's not the hose from the reservoir to the master cylinder. At this point I'll replace both to know for certain.
I have made some observations and have some questions as I'm going forward. I'm including photos.
The first photo is of a rag stuffed in the area of the leak. the fluid is certainly leaking from this area. I can't tell if its coming from the gasket/washer between the master cylinder housing and the inlet union or the where the hose connects to the inlet union. I've tried a new hose clamp and that has not made any difference.
Attachment 3842
The second/third are something I noticed while looking at photos of the master cylinder assembly process.
Step four in the manual shows torque specs and angles for the inlet unions (60deg, and 30deg). Attachment 3843
Attachment 3844
This photo shows my old master cylinder (removed) with the inlet unions in the same position as the manual. However the new master cylinder (installed) has both inlet unions at equivalent angles. It seems the angle of the inlet union is to make it easier to connect the inlet hose from the fluid reservoir. Is this assumption accurate or is this the incorrect master cylinder?
If it's not totally the wrong part...
Does anyone think this difference in angle could be contributing to the leak? Is this an adjustment that I could make on my own? Do I really need to? Are the internals of the union inlet/bolt, position sensitive. i.e. if i turn the union bolt, does it affect fluid flow through the master cylinder?
The new master cylinder should be at the local store by 6:00pm tonight. I'm hoping to get some answers before then so i know i've got the right part and can make any adjustments I may have to before doing this job again.
Sorry for the long posts, all your help is greatly appreciated.
Re: master cylinder leaking
Connecting hoses at sharper angles increases stress and makes them more likely to leak. These are just banjo bolts with copper crush washers. Make sure there is a copper crush washer on each side of the banjo fitting, then loosen the bolts, reposition per the manual, then tighten them back down. I'm guessing this will fix the leak problem. If you're missing a crush washer, then take the banjo bolt(s) out, add the washer(s) and torque back down. It's always best to replace crush washers, but they can be re-used. If you're missing one, take one from your old master cylinder.
If I had this going on, I would probably pull both banjo fittings, then inspect them for imperfections on the sealing surfaces. I would also be checking the mating surfaces of the bolts and the master cylinder. If all that looks good, and the copper washers don't have flaws, then they should seal when cranked down. These do require a fair amount of tightening force to seal, so make sure they are tight. Tim
1 Attachment(s)
Re: Installing a New Brake Master Cylinder
My van is leaking from a small spot at the bottom of where the master cylinder meets up with the "master vac?", and im not sure if i need to replace the master cylinder and the master vac or just one or the other. There is a decent amount of corrison on the master vac thing from fluid running down it. Is there supposed to be a gasket or some sort of sealant inbetween them? Im a little lost hah.Attachment 4704
Re: Installing a New Brake Master Cylinder
looks like you have a bad o-ring inside the master cylinder. Since aftermarket is available and cheap, I'd replace the entire master cylinder. Don't worry about the booster as there's nothing in there to leak out (it's all coming from the master). Tim
Re: Installing a New Brake Master Cylinder
Thanks man just finished gettin that bad boy swapped not too bad hah
Re: Installing a New Brake Master Cylinder
Quote:
Originally Posted by
Dirtlivingston
Thanks man just finished gettin that bad boy swapped not too bad hah
I just replaced the master cylinder on my 89 townace too. I didn't think about the fact that the right hand drive cylinder would be an exact mirror of the left hand drive version. When i pulled the part out and compared it to the new one i was a little stressed. No brakes till i order a new one from Japan?
I ended up removing the guts of the new part and installing them into the original RHD master cylinder. Worked great.
Thought id share that for anyone with an imported vehicle.
Re: Installing a New Brake Master Cylinder
Quote:
Originally Posted by
TheCrippler
I just replaced the master cylinder on my 89 townace too. I didn't think about the fact that the right hand drive cylinder would be an exact mirror of the left hand drive version. When i pulled the part out and compared it to the new one i was a little stressed. No brakes till i order a new one from Japan?
I ended up removing the guts of the new part and installing them into the original RHD master cylinder. Worked great.
Thought id share that for anyone with an imported vehicle.
That's awesome information for somebody with a RHD. Could potentially save a bunch of time and money. If there's no damage to interior hard parts, as an alternative you could install an o-ring kit. For anybody trying to save the original cylinder it's important to check the bore for pits. If it's got pits (result of corrosion), you should finish hone the cylinder before swapping parts. Most auto parts stores have hones that can be spun with a drill motor.
Re: Installing a New Brake Master Cylinder
So it's been a few weeks since i did the master cylinder rebuild. Last night i was driving and the brake pedal got real hard and all four brakes were dragging at the wheel. The wheels and brakes were SUPER hot when i stopped to check. I had the van towed home and started to investigate.
Pumped the brakes real hard a few times this morning and pulled it out of the drive way. Seemed fine, no more hard pedal and the van rolled like normal. I bled all four wheels pretty good. Had some air and cooked looking fluid come out of all four.
I drive it around the block a few times and the pedal felt normal ish? Maybe slightly soft but pretty normal. Doesn't seem like it has quite the stopping power that it used to but hard to tell.
Any suggestions? I thought maybe some debris in the line clogging the inlet on the master cylinder? That's partially why i bled them.
New thread? I thought maybe this was relevant to replacing the master cylinder?
I'm kinda hesitant to drive the van now. I'm thinking maybe take it to a mechanic to really go through it?
Re: Installing a New Brake Master Cylinder
Quote:
Originally Posted by
timsrv
That's awesome information for somebody with a RHD. Could potentially save a bunch of time and money.
This is why I love this site, the creative juices flow.
Re: Installing a New Brake Master Cylinder
So another piece of information. The pushrod length needed to be slightly adjusted after i put the guts from the new master cylinder in. If you do the rebuild the way i did make sure the check the depth on the master cylinder. I did this by comparing the depth of the old part vs the new.
Re: Installing a New Brake Master Cylinder
thanks for this awesome write up! ill be replacing mine soon since it has a small leak. :thmbup:
Re: Installing a New Brake Master Cylinder
thanks again to tmiron for this write up. i just replaced my brake master cylinder last night. i prefer to do as much maintenance as possible myself but i'm usually tight on time and the vans our only vehicle so i try and get everything lined up and ready to get a job done quickly. your tutorial helped get me prepared
a few tips:
- make sure you disconnect the sensor wire from the brake fluid reservoir
- i got a bleeder kit for 8.00 and it made bench bleed way easy and less messy
- the clear tubes in bleeder kit won't reach the reservoir so i bled into a glass jar with some clean brake fluid 1/3 filled
- if you bleed using a kit make sure the container you're using is higher than the master cylinder to get all the air bubbles out
- a 10mm flare nut wrench for tight brake lines comes in handy
- keep the four nuts holding the master a little loose until you re-connect the brake lines (makes it easier to get them rethreaded)
- a magnet with a long screwdriver comes in handy when you drop a couple of the nuts during re-install and they get trapped down in the dash
i did the bleeding very thoroughly and ended up not needing to re-bleed my brake lines (so far). i had a fading brake pedal for a couple weeks so i bled and flushed my brake fluid recently. ended up needing a new master cylinder.
Re: Installing a New Brake Master Cylinder
This is a great thread and thanks for all the informative info.
My question is- Who's done their clutch cylinder? Is there a recommended brand with good quality replacement? I've heard this particular job is one of the most challenging and fiddly repairs you can do on this van. Lost of cursing and bruised hands according to the "1984-89 toyota van group" on FB. So I only want to do this once for a long while.
I'll be filming the process so any insight is appreciated. I'll include the expert advice in my comments in the vid. ;)
Re: Installing a New Brake Master Cylinder
Thanks goes to tmiron and this thread for all the insight!! I recently was successfully in getting my Clutch and Brake cylinders switched out. Here's the vid of the project. Hope it adds some additional visuals to the project.https://www.toyotavantech.com/forum/...aster-Cylinder
Re: Installing a New Brake Master Cylinder
Hello,
Great thread with loads of info. Went to start my 87 4x4 this morning and found my clutch pedal went completely soft and couldn't get it into gear. Looked up under dash and noticed the piston on the clutch master cylinder was covered in fluid and dripping a bit so I'm planning to replace. Given the amount of effort required to pull apart the dash and access the clutch master cylinder, should I go ahead and do the brake master cylinder while I'm at it? Any good reasons to wait until there is an issue with it? I'm pretty sure it's the original. Thanks and keep up the great work!