Yet Another Headlight Issue
Ok, here we go. Driving my '86 Vanwagon to a gig a few weeks ago and my aftermarket radio turned off and on again. I leave my gig and my headlights turn off (sidenote: it was raining and I had noticed a little water getting in the front of my vehicle). I hear a brief sizzle and then nothing. I switch my highbeams on and I have both lights on my left hand side, and nothing on my right (except my parking lights). Low beam switch gives me nothing on either side, I have no cornering lights, and no high beam indicator light when lever is pulled back.
Pulled the blue plug under steering column and it looks really clean (no burnt out pins on either side or anything else funny). Used a test light to test all sockets for LH and RH fuses and all are getting power. Pulled the fuse box out and all plugs in the back look good Replaced fuses. I tested my relay and fusible link behind pass seat. My left hand low beam socket is only getting power w the high beam activated. My right hand light sockets get no power regardless of switch, though there is continuity from the fuse box to one of the two wires wire (the solid red w blue hashes i think).
Does this sound like a grounding issue? If so, where would said ground be found?
Any thoughts appreciated. Thanks!!
Re: Yet Another Headlight Issue
That sounds like a bad ground. Usually grounds are the white wires with the black stripes, so check those 1st. Connection points are the most likely areas for a fault. Another way to check is to randomly add temporary grounds to parts of the system (wires with alligator clamps on the ends work great for this). If lights start working after adding a ground, then search the grounds in that area especially. In some cases it's just easier to add a permanent ground and forget about finding the actual trouble spot. While checking the harness pull all associated connectors and check pins for burn marks or corrosion. If you find anything suspicious bypass for testing. Good luck. Tim
Re: Yet Another Headlight Issue
Thanks Tim - I will try this over the weekend and report back.
Re: Yet Another Headlight Issue
BTW, if you actually heard a sizzle sound, that's an important clue. That was likely the trouble spot arcing. If you were able to hear it that means it was close to you (possibly in the steering column). If you have a idea where that sound came from, that's the area I'd be scouring. You're looking for a connection or a component with a burned or discolored contact. Tim
Re: Yet Another Headlight Issue
masterace wrote:
Quote:
I leave my gig and my headlights turn off (sidenote: it was raining and I had noticed a little water getting in the front of my vehicle). I hear a brief sizzle and then nothing.
How is water getting in there? Do you have rust spots around your windshield?
If so, you need to address that immediately or find another vehicle to drive on rainy days.:wnk:
4 Attachment(s)
Re: Yet Another Headlight Issue
Re: Yet Another Headlight Issue
It was getting in around the windshield, which was already cracked. I had the windshield replaced a few weeks ago at a place Tim mentioned in a previous thread, located in Vancouver, WA. It is no longer allowing water in.
Re: Yet Another Headlight Issue
I am still stuck. I am getting 12 volts to all (red, red/yellow wires) headlight sockets w low beams on.
1. Since I am getting 12v to go through the low beam circuit to the plugs, my thought was that I could snip the ground from the socket and go straight to the frame and my lights would work. Why is this not so?
2. When I turn on my high beams on, my left side illuminates completely but my right side loses the 12v that they have w the low beams on. Whyyyy?
Now I am thinking it's the switch? Would the next logical step be to take the steering wheel off and check the contacts? I've exhausted every test i could think of from the plug down under the steering column on down to the light sockets and grounds on the frame. Did I mention my blue high beam indicator does not light?
I feel like something explains all this but I can't figure it out.
Re: Yet Another Headlight Issue
Since the switch is a likely place it should be checked early on. You are supposed to use a steering wheel puller, but I've found I can always remove the van steering wheels without one. I bare down on the floor with my feet and use a steady pressure against the wheel while gently rocking from side to side. I actually have the puller for this, but find it easier to remove without. Tim
Re: Yet Another Headlight Issue
Good to know...that's what I will do next.
1 Attachment(s)
Re: Yet Another Headlight Issue
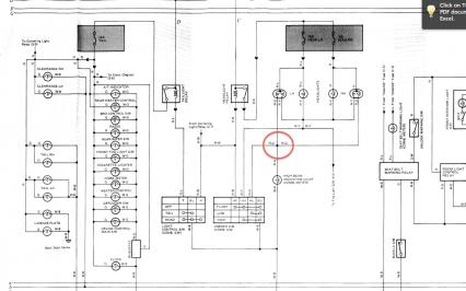
I have a serious gremlin on my hands. I pulled the steering wheel off yesterday to examine the switch (thanks for the removal tip Tim). No burned wires or anything funny. I even went to the Pick'n'pull and grabbed another switch assembly...no luck. I still am convinced i have a bound ground. I tried running a ground from the switch to ground and then from the plug to ground and I get nothing with my lowbeams. Should I try two grounds, grounding both at the steering wheel and at the plug area?
On the diagram below, is the circled intersection a plug? I am thinking this might be my problem area.
One other thing. Would it be possible to have bad lowbeam headlights, that for some random reason would only light up on one side with the highbeams on?
Attachment 2143
Re: Yet Another Headlight Issue
It's just showing there is an electrical junction there (may or may not be a plug). This would likely not be a problem area anyhow, as it's just to power up the high beam indicator. The thing that makes these difficult to troubleshoot is Toyota switches the negative side instead of the positive side. It's more of a mind set thing, as most of us have mostly worked on positive switched circuits (so it's like everything gets reversed in your head).
I still think you're going to find (eventually) a burned contact or connection point somewhere. Perhaps corrosion where it ties into the chassis ground. The question is where. I've only had to troubleshoot a headlight circuit problem (like you're having) once, and it turned out to be a burned pin in that blue connector under the steering column (was the white/black ground wire btw). I would recommend trying to trace that white/black wire back to ground, testing for continuity along the way..........perhaps testing by applying a load. Wish I could be of more help, but this is a hands-on type troubleshooting job. Good luck. Tim
Re: Yet Another Headlight Issue
Problem solved.
As I mentioned earlier in my post, I swapped High and Low beams and verified that they only worked on one side. I assumed that this meant everything was fine, and guess I was wrong.
After hours of testing and virtually giving up, I decided to get all new bulbs. Wa-la. Low beams turned on. Passenger side low beam got really dim when I turned on the high beams. Started messing with the right side fuse, and that was the issue. Had to solder a little extra meat on the fuse to make it fit snugly and I'm all good now.
Thanks for all the help!
Re: Yet Another Headlight Issue
That's awesome! Due to age these fuse boxes are being responsible for more and more problems. I'm guessing somebody probably used one of those fuse taps in that position in the past. Those things are notorious for screwing up fuse sockets. Tim
Headlight comes on without turning lights on
85 Van. With lights turned off, sometimes the headlights come on and drains the battery. I have to take out the fuse to be sure I won't come back to a dead van.
Any experience of this or any ideas would be appreciated.