Re: Charging Air Conditioning System
Quote:
Originally Posted by
Andywear
Yeah If you don't mind, Ive crawled under 3 times with a flash light and cant find a black cap with larger size tubing, it wouldn't be covered in insulation type foam, right?
The lo-side cap (black) can be in different places depending on OEM specs.
For example, on my '91 2wd jdm it's behind and on the left side of the left front wheel near the fan shroud.
On my '91 4wd jdm it's behind the driver's seat (righthand side seat) under the smaller of two removable covers secured by a wingnut. In this van I have had to hang the manifold inside the car, running the hoses through the engine bay and maintenance window.
Good luck
BTW, this thread has really helped to expand my understanding:dance2:Thank you!
Re: Charging Air Conditioning System
Quote:
Originally Posted by
Andywear
Yeah If you don't mind, Ive crawled under 3 times with a flash light and cant find a black cap with larger size tubing, it wouldn't be covered in insulation type foam, right?
Sorry, I was out of town over the weekend. Here's where it is on my van. I have an R134 adapter on mine, so it's a blue cap, but it was black and significantly smaller (the cap) before I put the adapter on it.
https://lh3.googleusercontent.com/BF...-no?authuser=0
https://lh3.googleusercontent.com/JO...-no?authuser=0
3 Attachment(s)
Re: Charging Air Conditioning System
I think there was a problem with the attached photos, so just in case, uploading a different way, and including a link to them in my google photos.
Attachment 11197Attachment 11198Attachment 11199
https://photos.app.goo.gl/e7mJYKpVHqmEzBNPA
Re: Charging Air Conditioning System
That worked!! thanks for the added step. :wave1::thmbup:
2 Attachment(s)
Re: Charging Air Conditioning System
Quote:
Originally Posted by
Jean-Claude Van-chan
The lo-side cap (black) can be in different places depending on OEM specs.
For example, on my '91 2wd jdm it's behind and on the left side of the left front wheel near the fan shroud.
On my '91 4wd jdm it's behind the driver's seat (righthand side seat) under the smaller of two removable covers secured by a wingnut. In this van I have had to hang the manifold inside the car, running the hoses through the engine bay and maintenance window.
Good luck
OK soooo, both caps I have found are red, also the interior port under drivers seat was in the larger size access panel, not the smaller of the 3. and no ac ports in the other 2 :cnfsd:
Outside of the cap color, are the hi/low ports actual different sizes?
Attachment 11201
Quote:
Originally Posted by
thepuzzlemaster
Outside of me removing my front bumper, I really don't see this blue port. :dizzy:
Attachment 11200
Re: Charging Air Conditioning System
Quote:
Originally Posted by
Andywear
Outside of me removing my front bumper, I really don't see this blue port. :dizzy:
welp it wasn’t hidden behind my front bumper. :(:
Re: Charging Air Conditioning System
I'm not sure where else your low pressure port could be, but I have the same 2nd high-pressure port behind the driver's seat there, so I'd feel pretty confident in saying that both of the red-caps you've found are the high-pressure ports.
Also, the low-pressure cap is likely black on your vehicle and blends in pretty well. That blue cap, which is way larger than the original one, was from the r-134a adapter I screwed onto my vehicle.
4 Attachment(s)
Re: Charging Air Conditioning System
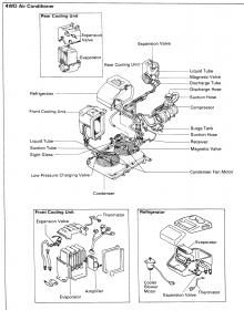
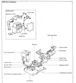
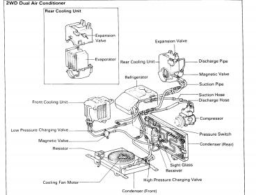
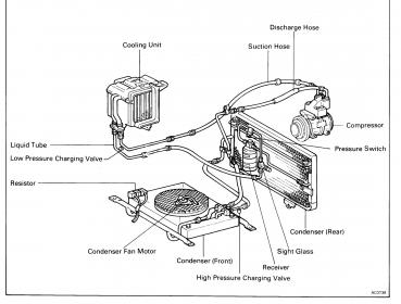
Here are the diagrams from the manual.
Not sure which model you have, but I have the 4wd with rear ac model.
But it looks like the 2wd unit is closer to under the driver's seat maybe?
Attachment 11205
Attachment 11206
Attachment 11207
Attachment 11208
1 Attachment(s)
Re: Charging Air Conditioning System
Quote:
Originally Posted by
Andywear
Outside of the cap color, are the hi/low ports actual different sizes?
the cap color was black on both buutttt they are different sizes and the letter H was on one and L on the other.:wnk:
however, they are R134 ports not R12 as previously expected. No blue caps at all.
which means the switch to R134 happened on this van, which is a '93 . Now who knows if this was done by the manufacture or after...
**Also, I am an idiot I thought the power steering pump was the compressor, so I was looking in the wrong area the whole time. I saw a hose running to it and thought that was it.**
these ports were right off the compressor, just under the radiator reservoir tank.
Attachment 11210
I think I will grab some R-134 from parts store, add some pressure and see if I can get the compressor to kick on.
We jumped the compressor with the battery trying to circulate the system, ran for <1 minuet and saw no bumbles in the sight glass.
Re: Charging Air Conditioning System
Glad you were finally able to locate them! Keep us posted on how it goes.
Re: Charging Air Conditioning System
I rented the gauge set from the parts store added one can of R-134, compressor kicked on blew cool.
checked the next morning the stactic pressure was good, almost equal on high and low.
based off the R-134 temp. pressure chart (on page 5, of this thread), I am shooting for 45 low, 250 high. Was slightly under that on both sides so picked up another can.
I had taken the gauges off over night and went to reconnect them and I could hear a freon leaking out of the low side port, I grabbed a wrench and tightened it.
started to add more of the next can until I could get the pressures back up.
Watched the first 12 minuets of this vid and decided to get my pressures a little higher hoping to get the cool air cold.
https://www.youtube.com/watch?v=BXTZ...ist=LL&index=1
(^^ this is only one of the many vids I watched before adding freon to my system)
the temp when I was adding freon was 90+ and 58% humidity,
at current the gauges read, while van is at operating temp, 50 and 250. I would like to get the high side pressure over 250.
one odd occurrence is, every 2-3 minuets or so the low pressure drops to 12# stays for about 5 seconds and then raises back to 50.
is that a possible blockage that is moving around in the system?
Re: Charging Air Conditioning System
Quote:
Originally Posted by
Andywear
one odd occurrence is, every 2-3 minuets or so the low pressure drops to 12# stays for about 5 seconds and then raises back to 50.
is that a possible blockage that is moving around in the system?
97*F here in Sucklahoma today, rolled up the windows, shut the skilites and turned on the AC, it blew cooler then the hot air from outside :LOL2:
one thing I did notice, it would blow cool and then get warm and then get cool again, Im guessing that pressure drop mentioned above has something to do with that.
I think I will get a few cans from R-134 and hook them up and then use the other port behind the drivers seat to purge the system, perhaps if there is air in the system it will bleed out. :?::cnfsd:
Re: Charging Air Conditioning System
I think you are one to something since you didn't evacuate the system before recharging, mainly because you didn't have that small air compressor thing....:wall::doh:
https://youtu.be/XGBAxSDTIoU?t=1192
@19 minuets something
Re: Charging Air Conditioning System
How often do you prefer checking Air Conditioning System and how often do you prefer refiling.:cnfsd:
Re: Charging Air Conditioning System
do you have a rear A/C?
when i converted mine we didnt add enough because we never turned it on. it worked good for a few months.
when we added more, it was more than we initially put in.
hasnt been any issues since.
Quote:
Originally Posted by
MarCarClow
How often do you prefer checking Air Conditioning System and how often do you prefer refiling.:cnfsd:
i turn my on monthly if not used just to keep everything lubricated.
refill when necessary.
Re: Charging Air Conditioning System
Quote:
Originally Posted by
Andywear
I think you are one to something since you didn't evacuate the system before recharging, mainly because you didn't have that small air compressor thing....:wall::doh:
https://youtu.be/XGBAxSDTIoU?t=1192
@19 minuets something
Glad you got the port locations straight, and the compressor location - motor stuff is mysterious until it ain't.
I would start by getting a 0.5hp vacuum from harbor freight or amazon or whatever and making sure that you system has no leaks - and removing as much of the compressor oil as possible and any water/air that may be in the mix (air or water could cause pressure swings in the system and intermittent cooling as it cycles through the compressor). Then you can reliably restart with oil, dye, leak fix & refrigerant as needed.
If there's a chance that your system was not converted to r134a from r12, which is the mother of PITAs since ALL the gaskets including all around the compressor have to be replaced, you could buy it for a local pro and have them put it in... you'll need 36oz of r12 at sea level to give you the 1300g needed for the front&rear systems.
I get it to °72 in the sweltering heat down here in our vans, but have to turn it off to climb a steep hill:?::dance2:
1 Attachment(s)
Re: Charging Air Conditioning System
thanks for all the good info, I got a plan for a friend to bring his vacuum pump and get it cleaned out and then add oil and freon as well. :thmbup:
Quote:
Originally Posted by
Jean-Claude Van-chan
I get it to °72 in the sweltering heat down here in our vans, but have to turn it off to climb a steep hill:?::dance2:
Attachment 11226
1 Attachment(s)
Re: Charging Air Conditioning System
I now have went 4 days with cold blowing AC, what a good life. :thmbup:
pumped the air out, added 2.5 cans of R-134a. roughly 20* temp difference.
Attachment 11229
Re: Charging Air Conditioning System
If you want to run 12v to the AC compressor wire to check if the clutch is engaging, do you have to connect 12v positive to the single compressor wire and then ground the battery to the frame? There is only one wire, so is the compressor ground through the frame bracket? Also, if anyone knows exactly where the AC relay is I could just use a paper clip across the relay terminals 30 & 87 to test the clutch. Thanks
Re: Charging Air Conditioning System
In the manual on the page AC-13 it gives you a list of steps to inspect faulty AC. It isn’t in the steps to check, but it just has a picture of the location of the “heater” circuit breaker . ( wish I knew how to post a pic here). Is this also the AC compressor relay? If not does anyone know where it’s located ?